彪维流体设备
TEL:021-51602737 18121314445
 进口阀门闸阀蝶阀球阀截止阀放料阀止回阀平衡阀针型阀疏水阀排气阀电磁阀温控阀呼吸阀旋塞阀隔膜阀管夹阀减压阀阻火器调节阀过滤器安全阀液压阀门气动角座阀水力控制阀 |底阀 |
双法兰式三阀组
产品名称:双法兰式三阀组
产品型号:双法兰式三阀组
咨询电话:021-51602737
传真:021-51602737
M604W三阀组
 M604W三阀组
QF-05平衡阀组
 QF-05平衡阀组
1161三阀组
 1161三阀组
1181三阀组
 1181三阀组
    产品介绍
    型号: 1151双法兰式三阀组 
    1151-6000(PSI)C.P.R型三阀组适用于美国罗斯蒙特公司的1151系列差压变送器产品配套。
    双法兰式三阀组特性:
    1. 制造标准: ASME B16.34-2004
    2. 连接形式: 输入/输出均为法兰连接 
    3. 结构特征: 锥面密封
    4. 阀门检验与试验: API 598-1996
    5. 公称压力:≤6000Psi
    6. 适用工作温度:-29℃~+538℃
    7. 适用介质: 水,油,气等腐蚀性与非腐蚀性介质
    8. 材质:碳钢(A105,20#,35#);不锈钢(304,304L,316,316L,321)
    9. 公称通径:DN6…

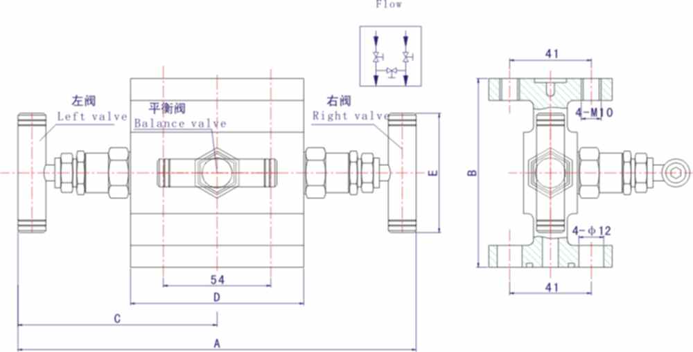
    1151双法兰式三阀组
    1151双法兰式三阀组结构尺寸
    货号
    ITEM NO.
    连接尺寸Connections
    Size
    A
    B
    C
    D
    E
    1151-6K2
    RF-1/4”NPT
    207
    95
    105
    86
    60
    1151-6k4
    RF-1/2”NPT
    207
    95
    105
    86
    60
     
    其它细节方面请与我们联系.

蝶阀 |
电话:021-51602737传真:021-51602737手机:18121314445 地址: 上海奉贤区南桥光钱路600弄8号